เทอร์โมคัปเปิลอะลูมิเนียมสำหรับวัดอุณหภูมิ
นำเสนอฮีตเตอร์และเทอร์โมคัปเปิลคุณภาพคับแก้ว
เทอร์โมคัปเปิลสำหรับวัดอุณหภูมิน้ำหลอมอลูมิเนียม |
|
|
บริษัท สยามซันโก้ ผลิตเทอร์โมคัปเปิลอะลูมิเนียมสำหรับวัดอุณหภูมิในประเทศไทย ≪คุณสมบัติ≫ ● มีระยะเวลาจัดส่งสั้นและราคาไม่แพง ≪Application≫ ● วัดอุณหภูมิอย่างต่อเนื่องของน้ำหลอมในเบ้าหลอม |
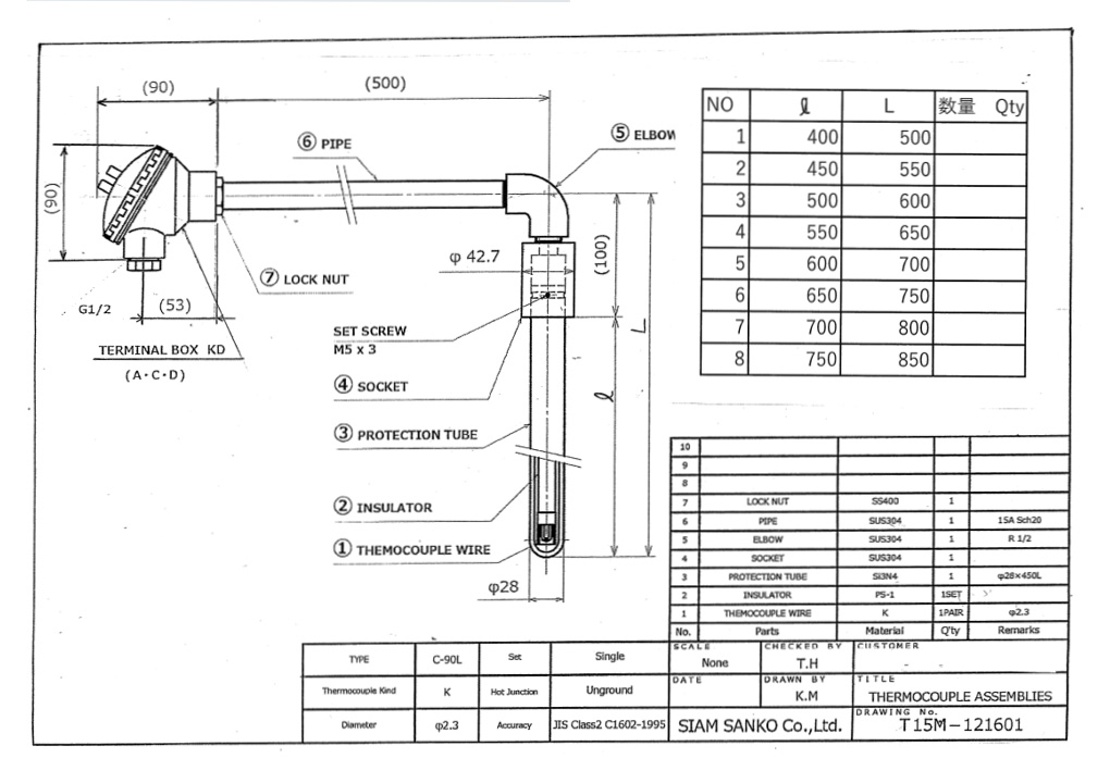
≪โครงสร้าง≫
เทอร์โมคัปเปิลของบริษัทฯใช้ลวด Type K ที่มีคุณสมบัติความแม่นยำสูงและชีทเทอร์โมคัปเปิล Type K อีกทั้งใช้ปลอกท่อที่มีความทนทานสูงต่อ Thermal Shock (กลไกการเสียหายที่เกิดขึ้นกับการเปลี่ยนแปลงอุณหภูมิอย่างรวดเร็ว) และมีความแข็งแรงเชิงกลสูงในอุณหภูมิที่สูง เนื้อวัสดุซิลิกอนไนไตรด์มีความบริสุทธ์สูงมีความทนทานต่อการกัดกร่อนสูงต่อน้ำหลอมอลูมิเนียม นอกจากนี้ บริษัทฯใช้ชีทเทอร์โมคัปเปิลที่มีคุณสมบัติพิเศษสำหรับใช้กับเครื่องหลอมแรงดันต่ำโดยคำนึงถึงความปลอดภัยเมื่อปลอกท่อได้รับความเสียหาย
|
|
|
|
|
|
|
|
|
|









